| штат: | |
|---|---|
| Количество: | |
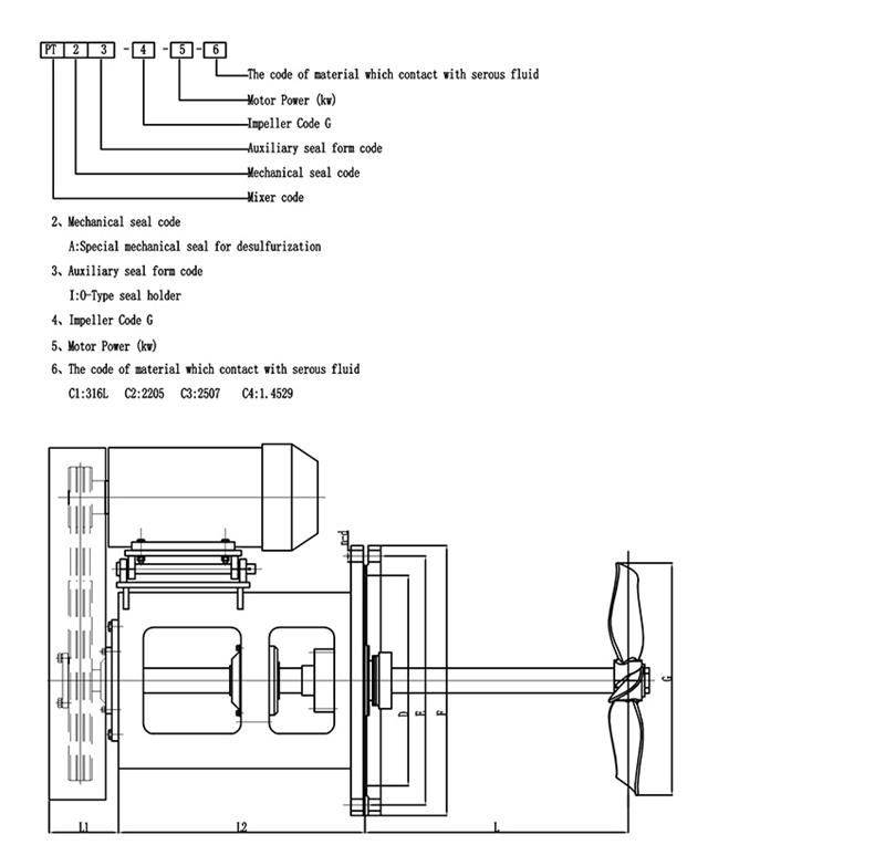
Представление смесителя с боковой загрузкой типа PT-Belt:
Использование десульфурации дымовых газов: в основном предотвращается осаждение твердых частиц из шламового резервуара и гарантируется равномерная транспортировка суспензии на следующий процесс.Усиливают диффузию окисленного воздуха, а также способствуют окислению сульфита кальция, росту кристаллов гипса и растворению известняка.Использование этого оборудования имеет множество преимуществ, таких как небольшие инвестиции, удобство эксплуатации, высокая эффективность, низкое энергопотребление, низкий уровень статического электричества, образующегося в среде, и гарантия качества продукции.
Этот тип смесителя также может использоваться для очистки сточных вод и в бумажной промышленности.
Материал
На что следует обратить внимание при проектировании боковой мешалки?
1. Определите цель смешивания мешалки бокового типа: если осуществляется смешивание жидкость-жидкость, суспензия твердо-жидкости, диспергирование газа-жидкости или жидкости-жидкости, необходимо ли добиться теплопередачи, абсорбции, экстракции, растворение, кристаллизация и т. д. Тип мешалки выбирают в зависимости от особенностей процесса.
2. Рассчитайте мощность операции смешивания: движение, необходимое при выполнении процесса смешивания.
Расчет уровня мощности сложен и зависит от диаметра резервуара, диаметра суспензии, ширины лопасти, угла, количества слоев, вязкости, количества перегородок и размера перегородки.
3. Выберите мощность двигателя мешалки бокового типа: расчетное значение после эффективности должно быть больше или равно 1,5-кратной мощности перемешивания.
4. Определение минимального числа оборотов мешалки на улице: Данное количество оборотов является минимальным количеством оборотов с целью перемешивания, а не критическим числом оборотов вала мешалки.
5. В соответствии с выбранной мощностью проверьте жесткость и прочность смесительного вала и лопасти.
6. При использовании редуктора следует также учитывать коэффициент использования редуктора и грузоподъемность редуктора.
7. Для тонкого вала рассмотрите возможность добавления опоры, средней или нижней опоры.
8, также учитывайте метод установки (верхний вход, нижний вход или боковой вход), это определяется в первую очередь.
9, поддержка дизайна.
10. Мешалка бокового типа герметизирована (заливное или машинное уплотнение).
Hot Tags: смеситель с боковой подачей fgd, Китай, производители, поставщики, фабрика, купить, индивидуально, предложение, сделано в Китае
Представление смесителя с боковой загрузкой типа PT-Belt:
Использование десульфурации дымовых газов: в основном предотвращается осаждение твердых частиц из шламового резервуара и гарантируется равномерная транспортировка суспензии на следующий процесс.Усиливают диффузию окисленного воздуха, а также способствуют окислению сульфита кальция, росту кристаллов гипса и растворению известняка.Использование этого оборудования имеет множество преимуществ, таких как небольшие инвестиции, удобство эксплуатации, высокая эффективность, низкое энергопотребление, низкий уровень статического электричества, образующегося в среде, и гарантия качества продукции.
Этот тип смесителя также может использоваться для очистки сточных вод и в бумажной промышленности.
Материал
На что следует обратить внимание при проектировании боковой мешалки?
1. Определите цель смешивания мешалки бокового типа: если осуществляется смешивание жидкость-жидкость, суспензия твердо-жидкости, диспергирование газа-жидкости или жидкости-жидкости, необходимо ли добиться теплопередачи, абсорбции, экстракции, растворение, кристаллизация и т. д. Тип мешалки выбирают в зависимости от особенностей процесса.
2. Рассчитайте мощность операции смешивания: движение, необходимое при выполнении процесса смешивания.
Расчет уровня мощности сложен и зависит от диаметра резервуара, диаметра суспензии, ширины лопасти, угла, количества слоев, вязкости, количества перегородок и размера перегородки.
3. Выберите мощность двигателя мешалки бокового типа: расчетное значение после эффективности должно быть больше или равно 1,5-кратной мощности перемешивания.
4. Определение минимального числа оборотов мешалки на улице: Данное количество оборотов является минимальным количеством оборотов с целью перемешивания, а не критическим числом оборотов вала мешалки.
5. В соответствии с выбранной мощностью проверьте жесткость и прочность смесительного вала и лопасти.
6. При использовании редуктора следует также учитывать коэффициент использования редуктора и грузоподъемность редуктора.
7. Для тонкого вала рассмотрите возможность добавления опоры, средней или нижней опоры.
8, также учитывайте метод установки (верхний вход, нижний вход или боковой вход), это определяется в первую очередь.
9, поддержка дизайна.
10. Мешалка бокового типа герметизирована (заливное или машинное уплотнение).
Hot Tags: смеситель с боковой подачей fgd, Китай, производители, поставщики, фабрика, купить, индивидуально, предложение, сделано в Китае