| штат: | |
|---|---|
| Количество: | |
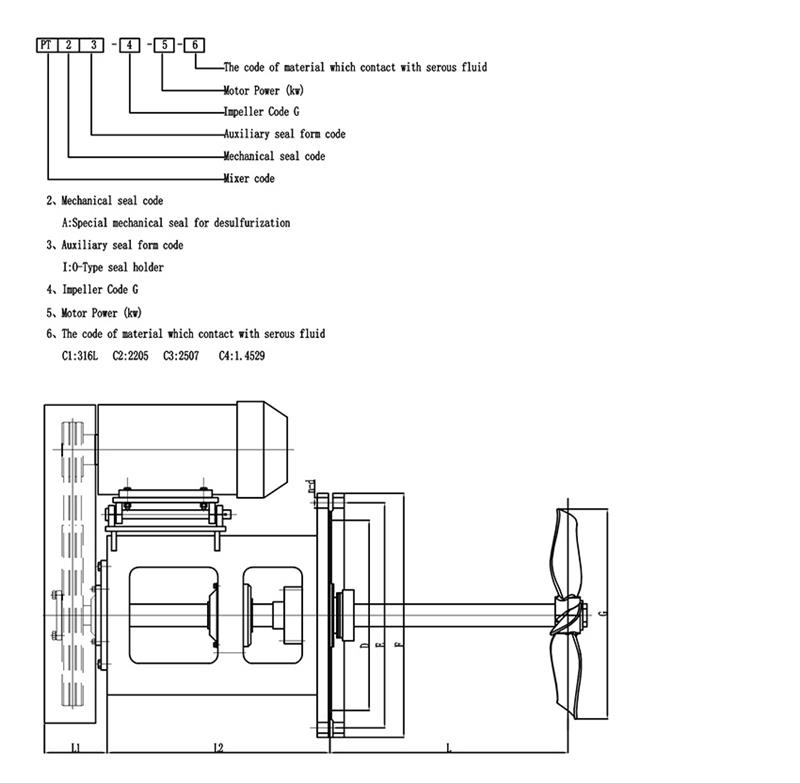
Представление смесителя с боковой загрузкой типа PT-Belt:
Использование десульфурации дымовых газов: в основном предотвращается осаждение твердых частиц из шламового резервуара и гарантируется равномерная транспортировка суспензии на следующий процесс.Усиливают диффузию окисленного воздуха, а также способствуют окислению сульфита кальция, росту кристаллов гипса и растворению известняка.Использование этого оборудования имеет множество преимуществ, таких как небольшие инвестиции, удобство эксплуатации, высокая эффективность, низкое энергопотребление, низкий уровень статического электричества, образующегося в среде, и гарантия качества продукции.
Этот тип смесителя также может использоваться для очистки сточных вод и в бумажной промышленности.
Материал
Как спроектирован входной смеситель на стороне десульфурации для данной программы?
Входная мешалка со стороны десульфурации отличается от другого смесительного оборудования.По сравнению с другим смесительным оборудованием, смеситель ДДГ с боковым входом имеет собственную уникальную процедуру проектирования.Ниже давайте посмотрим на это вместе.
1. При проектировании мешалки со стороны десульфурации мы можем выбрать требования к крутящему моменту или мощности для нескольких различных скоростей в соответствии с существующим значением D/DT пользовательского оборудования и требованиями заказчика ко времени смешивания и степени перемешивания.Среди них степень перемешивания ограничивается разницей вязкости материала, разницей удельного веса и тем, не является ли это ньютоновской жидкостью.
2. Выберите подходящую высоту установки рабочего колеса и объедините оборудование, чтобы оценить приблизительную длину вала мешалки.
3. Оцените разумную мощность двигателя.
4. Основываясь на существующих характеристиках, таких как потребляемая мощность рабочего колеса, редуктор, выходной вал, кронштейны и т. д., выберите мешалку, которая может соответствовать первым трем требованиям.
5. В зависимости от таких условий, как скорость кончика лопасти, определите наиболее подходящую скорость вращения, оптимизируйте конструкцию, а также проверьте и проанализируйте динамику и прочность системы вала в соответствии с определенными условиями.
Hot Tags: мешалки с боковым входом для десульфурации, Китай, производители, поставщики, фабрика, купить, настроить, предложение, сделано в Китае
Представление смесителя с боковой загрузкой типа PT-Belt:
Использование десульфурации дымовых газов: в основном предотвращается осаждение твердых частиц из шламового резервуара и гарантируется равномерная транспортировка суспензии на следующий процесс.Усиливают диффузию окисленного воздуха, а также способствуют окислению сульфита кальция, росту кристаллов гипса и растворению известняка.Использование этого оборудования имеет множество преимуществ, таких как небольшие инвестиции, удобство эксплуатации, высокая эффективность, низкое энергопотребление, низкий уровень статического электричества, образующегося в среде, и гарантия качества продукции.
Этот тип смесителя также может использоваться для очистки сточных вод и в бумажной промышленности.
Материал
Как спроектирован входной смеситель на стороне десульфурации для данной программы?
Входная мешалка со стороны десульфурации отличается от другого смесительного оборудования.По сравнению с другим смесительным оборудованием, смеситель ДДГ с боковым входом имеет собственную уникальную процедуру проектирования.Ниже давайте посмотрим на это вместе.
1. При проектировании мешалки со стороны десульфурации мы можем выбрать требования к крутящему моменту или мощности для нескольких различных скоростей в соответствии с существующим значением D/DT пользовательского оборудования и требованиями заказчика ко времени смешивания и степени перемешивания.Среди них степень перемешивания ограничивается разницей вязкости материала, разницей удельного веса и тем, не является ли это ньютоновской жидкостью.
2. Выберите подходящую высоту установки рабочего колеса и объедините оборудование, чтобы оценить приблизительную длину вала мешалки.
3. Оцените разумную мощность двигателя.
4. Основываясь на существующих характеристиках, таких как потребляемая мощность рабочего колеса, редуктор, выходной вал, кронштейны и т. д., выберите мешалку, которая может соответствовать первым трем требованиям.
5. В зависимости от таких условий, как скорость кончика лопасти, определите наиболее подходящую скорость вращения, оптимизируйте конструкцию, а также проверьте и проанализируйте динамику и прочность системы вала в соответствии с определенными условиями.
Hot Tags: мешалки с боковым входом для десульфурации, Китай, производители, поставщики, фабрика, купить, настроить, предложение, сделано в Китае